Wózek paletowy podnośnikowy z przechyłem GermanTech (max wysokość: 900 mm, udźwig: 800 kg, długość wideł: 1140 mm) 99724828
Wózek paletowy podnośnikowy z przechyłem GermanTech (max wysokość: 900 mm, udźwig: 800 kg, długość wideł: 1140 mm).
DANE TECHNICZNE:
udźwig: 800 kg
wysokość podnoszenia: 900 mm
całkowita wysokość: 1230 mm
długość wideł: 1140 mm
całkowita szerokość: 730 mm
całkowita długość: 1630 mm
szerokość nad widłami: 540 mm
waga: 218 kg
widelec szerokość: 150 mm
wysokość podnoszenia / skok pompy załadowany: 18 mm
wysokość wideł obniżona: 87 mm
promień obrotu: 1500 mm
udźwig / podczas przechylania: 800/400 mm
kąt pochylenia: 40 stopni
koła widelca: 82 x 90 mm
koła napędowe (kierownicy): 200 x 50 mm
prędkość podnoszenia z ładunkiem: 18 mm na skok pompy
WÓZEK PALETOWY PODNOŚNIKOWY Z PRZECHYŁEM.
Kompaktowa sztaplarka o stabilnej konstrukcji z ergonomicznym pochylaniem. Paleta jest podnoszona na odpowiednią wysokość, a pochylenie boczne sprawia, że praca jest wygodna i ergonomiczna. Konstrukcja sztaplarki jest bardzo zwarta i dlatego nadaje się do ciasnych przestrzeni.
GermanTech jest wiodącym dostawcą produktów na bazie niemieckiej techniki i usług. W oparciu o ścisłą współpracę z niemieckimi producentami oraz o dokładną i kompleksową wiedzę na temat rynku, GermanTech jest w stanie zaoferować szeroką gamę niezawodnych produktów i rozwiązań biznesowych.
Instrukcja obsługi:
Operation and mai ntenance instruction
High Lift Pallet Truck HS-T0809
Manual high lift truck (later "truck" only) is designed for transport and material handling, loaded on transporting platforms or pallets, on flat and solid surfaces. It enables to offtake and to base pallets with material to the maximum lifting height of the truck and to tilt a load placed in a fence pallet with max. height 400 mm, i.e. with the position of the center of gravity 200 mm over forks by + 20°. It decreases physical strain of person manipulating with material.
Operation instruction
The truck is supplied by the producer with its hydraulic block filled with hydraulic oil conforming to the standard ON 65 6890. It is recommended, at everyday usage, to check oil level once a month. The oil level is correct when its level is directly below the filling hole (closed with a plug) with the forks lowered into the lowest position. When refilling oil, it must be filtered through a 25 μm filter (alternative refills are SHELL TELLUST T 15, MOBIL DTE 11 M, CASTROL HYSPIN AWS 15).
Banishing the air in the hydraulic oil
When the truck is stored for a longer period or when a non-expert repair has been performed, the air can get into hydraulics and this will result in an incorect truck function. The air in hydraulics is indicated by the partial free movement of the handle while pumping, or uneven run of the forks occurs when lifting. This problem can be removed first of all by checking oil level. The control lever must be switched into its transport position (position "O") and by pumping while in this position, air will be removed from the pump piston area. Then, switch the control lever into the lifting position (position "I"), pump the forks into their maximum height above the floor and make several more strokes. Now, the hydraulic block is correctly aired and you can lower the forks to their lowest position above the floor.
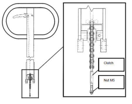
Adjusting the valve of the hydraulic block
1. If the control lever is in lower position and no lifting of the forks occurs while pumping, the M5 nut located on the clutch must be loosened.
2. If the control lever is pressed in its upper position and no lowering of the forks occurs, the M5 nut located on the clutch must be tightened.
Operation manual
A worker older than 18 years of age, who is mentally and physically suitable and knows all safety regulations regarding material handling using low lift scissors trucks and their operation, may operate the truck. Truck operating activities are provided through the handle and on it positioned control lever, which is connected to hydraulic block. While manipulating (lifting, starting) with load that is heavier than 600 kg it is necessary that two people are operating the truck.
Lifting
The control lever must be in its lower position (position "I", see the picture). Moving the handle up and down, hydraulic unit generates a power needed for lifting of a load.
Transporting the load (transport position)
The control lever must be in its middle position (position "O"). While in this position, the load height is constant. The lever is in this position fixated. The forks are in their lower position cca 200 mm over the ground.
Lowering
Press the control lever to its upper position (position "2"). When in this position, the safety valve in the hydraulic unit opens and a truck frame sinks to its lowest position. The speed of the lowering depends on how much you press the control lever.
Tilting
Tilting of the forks by + 20° is provided mechanically by using a crank (see picture 2).
1 - Crank 2 - Trapezium screw
Safety regulations
When handling loads, operational procedures, which protect operators from accidents and injuries must be used. These are mainly caused by incorrectly secured loads, by exceeding the max. load capacity, or by sliding of the truck on poor transport surfaces. Doorsills and similar obstructions must be leveled by means of ramps as well as bridges between neighboring floors.
It is forbidden:
• to use the truck for handling on inclined surfaces
• to perform any repairs and maintenance on a truck carrying a load
• to handle loads with a center of gravity higher than 500 mm
• to transport the loads while lifted higher than it is specified 200 mm over the ground except
technological essential transport
Note:
• technological essential transport is offtaking and placing of the load in the place of stacking.
It is necessary:
• to keep the loading diagram while manipulating with load, which is sticked on each stacker.
Product disposal
The user of product is after the end of technical life obligatory:
1. to drain the hydraulic system and to hand an oil over for recycling
2. to hand over all metal parts for recycling
3. to put all plastic parts into communal waste system








































