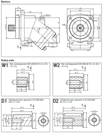
Silnik hydrauliczny tłoczkowy Hydro Leduc (objętość robocza: 50,3 cm³, maksymalna prędkość ciągła: 5000 min-1 /obr/min) 01538898
Dane techniczne silnika hydraulicznego
* Wartości przybliżone.
** Wartości ciągłe - maksymalne wartości dla pracy ciągłej silnika.
*** Wartości przerywane - maksymalne wartości dla pracy silnika przez 5s w każdej minucie.
**** Wartości szczytowe - maksymalne wartości dla pracy silnika przez 0,5s w każdej minucie.
Tłoczkowe silniki hydrauliczne serii M przeznaczone są do pracy ciągłej w najbardziej wymagających warunkach zarówno w zastosowaniach stacjonarnych - przemysłowych, jak i mobilnych. Seria ta składa się z trzynastu modeli w wielu różnych wersjach wałów, przyłączy i opcji dodatkowych. Cechy: moc do 250 kW, objętość geometryczna 18 - 108,3 cm3, prędkość obrotowa do 8000 obr/min. Silniki te nadają się do napędu pojazdów, statków pływających, maszyn roboczych, intensywnie wykorzystywanych wciągarek niewrażliwych na zamoczenie, kruszarek dużej mocy itp. Silniki M mogą pracować zarówno w obiegu otwartym jak i zamkniętym. Cała gama silników hydraulicznych M bazuje na technologii skośnego wirnika, która zapewnia szeroki zakres prędkości obrotowych silnika przy wysokich prędkościach maksymalnych, minimalne rozmiary, wyjątkowo wysoką sprawność całkowitą oraz niski poziom hałasu.
Silnik hydrauliczny tłoczkowy M50 przeznaczony jest do intensywnej pracy ciągłej w najbardziej wymagających warunkach. Cechy: moc do 166 kW, objętość robocza 50,3 cm3, prędkość obrotowa ciagła do 5000 obr/min. Stosowany w pojazdach, maszynach, urządzeniach przemysłowych. Silnik hydrauliczny M50 może pracować zarówno w obiegu otwartym jak i zamkniętym.
Silniki hydrauliczne HYDRO LEDUC serii M mają konstrukcję tłoczkową ze skośnym wirnikiem pod kątem 40°. Silniki te łączą wysokie osiągi przy zmniejszonych gabarytach:
- całkowita sprawność ogólna powyżej 90% (gwarantowana dla większości zastosowań);
- odpowiednie do pracy przy prędkościach obrotowych pomiędzy 50 a 8 800 obr/min;
- optymalna waga i wymiary.
Dostępne w objętościach roboczych od 12 cm3 to 126 cm3. Silniki serii M są odpowiednie dla wszystkich głównych zastosowań stacjonarnych i mobilnych. Są zaprojektowane do użytku w układach otwartych i zamkniętych. Dla zapewnienia długiej żywotności silników, prosimy postępować według zaleceń dotyczących instalacji i rozruchu.
Zalety:
- Wszystkie komponenty strukturalne wykonane są z materiałów o podobnej rozszerzalności cieplnej i wyjątkowej trwałości;
- Wzmocnione uszczelnienie odporne na ciśnienie do 4 bar w linii spływu;
- Wtrysk oleju pod wysokim ciśnieniem na stopkę tłoczka redukuje tarcie, obciążenie cieplne i zużycie;
- Stopki tłoczków sprzężone z gniazdami eliminują ryzyko separacji tarcza-tłoczek;
- Nowatorska konstrukcja tarczy rozrządczej automatycznie dopasowanej do wirnika eliminuje ryzyko naprężeń promieniowych;
- 7-tłoczkowa konstrukcja zapewnia równomierność prędkości obrotowej oraz stały moment obrotowy;
- Bezpośredni napęd wirnika czyli brak zazębienia między wirnikiem a tarczą obniża poziom hałasu.
Hydro Leduc to francuski producent elementów hydrauliki. Od dziesiątków lat oferuje i udoskonala pompy hydrauliczne, hydroakumulatory, silniki i układy mikrohydrauliczne. Hydro Leduc jest właścicielem wielu patentów. Jest także dostawcą wyrafinowanych rozwiązań do wymagających zastosowań jak przemysł lotniczy, poszukiwania ropy i złóż surowców, wojsko i przemysł ciężki.
Hydro Leduc posiada certyfikat ISO 9001 v2000, a nowoczesna technika firmy, produkcja oraz stanowiska testowe są regularnie unowocześniane by wciąż przewyższać wymagania kontroli kosztów produkcji przy zapewnieniu optymalnej jakości. Firma ściśle współpracuje ze swymi klientami, by dostarczyć produkty i usługi spełniające i przewyższające oczekiwania. Firma współpracuje z Hydro Leduc od początku swego istnienia.


















