Żuraw hydrauliczny obrotowy ręczny (udźwig: od 300 do 500kg) 58742359
Żuraw hydrauliczny obrotowy ręczny (udźwig: od 300 do 500kg).
Żuraw hydrauliczny ręczny jest żurawiem o udźwigu maksymalnym 500 kg.
Posiada napęd podwójną pompą hydrauliczną ręczną. Pompa ma wbudowany zawór przeciążeniowy, który zapobiega przeciążeniom żurawia. Zawór opuszczania pozwala na ręczne dopasowanie prędkości opadania podniesionego ciężaru stosownie do potrzeb użytkownika.
Jest bardzo łatwy w obsłudze.
Główne zastosowania to:
Wyciąganie lub wkładanie ciężkich przedmiotów lub urządzeń np. silników, lub załadunek ciężkich przedmiotów.
Jest produkowany w Polsce zgodnie z obowiązującymi polskimi normami oraz Europejską Dyrektywą Maszynową.
Producent urządzeń podnoszących z napędem hydraulicznym ręcznym. Wszystkie wyroby są zaprojektowane i produkowane w Polsce.
Instrukcja obsługi:
Krótka instrukcja eksploatacji żurawia (znajduje się na słupie nośnym)
Przestrzegać obowiązujących przepisów BHP
1.Przebywanie w strefie zasięgu żurawia jest zabronione.
2. Z urządzeniem mogą pracować tylko osoby, które:
a) mają ukończone 18 lat,
b) ich stan zdrowia umożliwiający obsługiwanie żurawia,
c) zostali odpowiednio przeszkoleni.
3.Urządzenie może być eksploatowane tylko na poziomym, równym i o odpowiedniej
wytrzymałości terenie. Na przestrzeni pracy żurawia nie mogą znajdować się przedmioty
obce utrudniające przejazd kółek.
4.Wszystkie podnoszone ciężary należy oszacować wagowo według punktów zalecanych
w tabeli nośności.Nie wolno dopuścić do przeciążenia żurawia.
5.Zabrania się podnoszenia ciężarów przy ukośnym położeniu haka.
Hak musi być ustawiony nad środkiem ciężkości podnoszonego ciężaru przed jego
podniesieniem.
6.Podnosić ciężar przez przemieszczanie dźwigni pompy.
7.Przed przemieszczeniem żurawia z obciążeniem należy opuścić podniesiony ciężar
do wysokości ok 5 cm nad poziom podłoża, nie wyżej.
8.Zabrania się wyrywania ciężarów od innych, zagłębionych w ziemi, przymarzniętych,
przyklejonych lub w jakikolwiek inny sposób przymocowanych.
9.Zabrania się pozostawiania zawieszonego ciężaru w czasie przerw lub po zakończeniu pracy.
10.Opuszczanie ciężaru:
Obracać powoli pokrętło zaworu w kierunku przeciwnym do ruchu wskazówek zegara.
Prędkość opuszczania reguluje się bezstopniowo,pokrętłem.
11.W razie uszkodzenia żurawia lub jej części, opuścić ciężar, nie podnosić powtórnie, przed
usunięciem uszkodzenia, zabezpieczyć przed dostępem do żurawia osób postronnych.
Gdy uszkodzenie nie pozwala na opuszczenie ciężaru, należy ogrodzić teren zasięgu żurawia
i wywiesić tablicę ostrzegawczą.
Uwaga! Nie robićæ przerw przy opuszczaniu ciężaru - UNIKAĆ SZARPANIA.
1. Wstęp
Przed rozpoczęciem eksploatacji żurawia należy dokładnie zapoznać się z niniejszą dokumentacją
techniczno – ruchową, oraz z krótką istrukcją eksploatacji żurawia znajdującą się na kolumnie
żurawia, w celu poznania budowy, działania mechanizmów, obsługi i zasad bezpieczeństwa pracy
w czasie użytkowania żurawia.
2. Przeznaczenie
Żuraw hydrauliczny skrętny przeznaczony głównie jest do zakładania ciężkich elementów
(przyrządy, materiały do obróbki) na maszyny.
Umożliwia to obrotowy słup nośny. Zakres obrotu wynosi 180°.
Można go zastosować także zdejmowania i załadunku ciężarów na samochóddostawczy.
3. Opis techniczny
3.1 Budowa (zgodnie z rys. 1)
3.2. Opis budowy wg rysunku 1
Kolumna obrotowa (1) osadzona jest na łozyskach i przymocowana do ramy (2).
Wysięgnik (3) osadzony jest w kolumnie (1) na sworzniu (12). W zależności od wielkości
podnoszonego ciężaru wysięgnik (4) musi być wysunięty wg diagramu umieszczonego na boku
wysięgnika (3) . Na końcu wysięgnika (4) znajduje się hak (5). Wysięgnik (3) podnoszony jest przy
pomocy pompy hydraulicznej ręcznej (6). Pompa (6) połączona jest z wysięgnikiem (3) sworzniem
i z kolumną obrotową (1) sworzniami. Żuraw wyposażony jest w dwa kółka stałe (8) i dwa kółka
skrętne (7) oraz dyszel (10), co umożliwia przemieszczanie żurawia na niewielkie odległości. Na
kolumnie obrotowej (1) zamocowana jest przeciwwaga (9) przy pomocy śruby.
3.3 Zasada działania
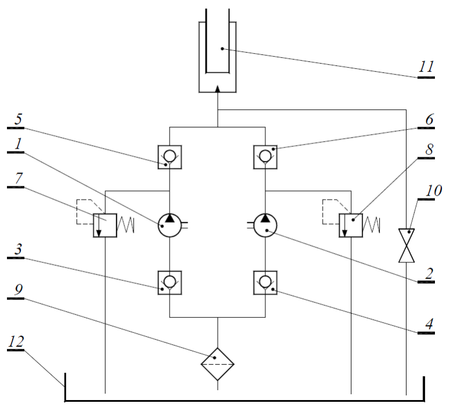
Podnoszenie i opuszczanie wysięgnika (3) odbywa się przy pomocy pompy hydraulicznej (6).
Pompa połaczona jest z wysięgnikiem (3) i z kolumną (1) sworzniami. Pompa hydrauliczna (6)
posiada dwa tłoczki, które przy pomocy dźwigni ręcznej (17) tłoczą olej ze zbiornika poprzez
zawory ssąco – tłoczące do cylindra. Ciśnienie oleju wytwarzane w cylindrze powoduje ruch
tłoczyska, a tym samym podnoszenie wysięgnika (3). Pompa wyposażona jest w dwa zawory
przeciążeniowe zabezpieczające żuraw przed przeciążeniem – podnoszeniem ciężaru większego
od dopuszczalnego. Do opuszczania wysięgnika (3) służy dźwignia opuszczania (13) lub pokrętło,
Szybkość opuszczania jest regulowana bezstopniowo poprzez kąt odchylenia dźwigni opuszczania.
4. Dane techniczne
Padane zgodnie Rys.2
5. Przygotowanie żurawia do pracy
Żuraw dostarczany jest w stanie rozłożonym rys. 3 i przed użyciem musi byćæ odpowiednio zmontowany
i zabezpieczony wg następujących punktów.
1.Ustawi ramę kompletną (2) na równym stałym gruncie.
2.Umieścić słup nośny kompletny (1) na płytce obudowy łożyska obrotowego (21) i przykręcić czterema
śrubami (22), z podkładkami (23).
3.Montaż przeciwwagi (9)
a) ustawić przeciwwagę pionowo,
b) w tuleję wprowadzić drążek stalowy o średnicy Ø25 mm i długości około 0,8 m,
c) umieścić przeciwwagę (9) między dwoma wspornikami słupa nośnego (1) tak, aby tuleja oparła się
w osi otworów wsporników. W otwór ten wprowadzić śrubę (15) i mocno skręcić nakrętkę (26,)
podkładając podkładkę (25). Wyjąć drążek.
4. Montaż dyszla (10)
a) Z obsady dyszla (27) wykręcić śrubę (28)
b) Dyszel (10) wprowadzić w obsadę (27) i wkręcić śrubę (28) do oporu.
5. Wymienić korek pompy (29) bez otworu na odpowietrznik z otworem.
6. Sprawdzić stabilność i wszystkie zabezpieczenia.
7. Zamknąć zawór opuszczania, dociskając w prawo dźwignią opuszczania (13).
8. Wykonując ruchy wahadłowe dźwignią ręczną (17) podnieść wysięgnik (3) do maksymalnej wysokości.
9. Odblokować zawór opuszczania dźwignią (20) w lewo, co spowoduje opuszczenie wysięgnika (3) do
minimalnego położenia.
Podnoszenie i opuszczanie powinno odbywa się płynnie bez zacięć.
Po wykonaniu powyższych czynności, żuraw jest gotowy do pracy.
6. Warunki pracy
Żuraw jest przeznaczony do pracy w pomieszczeniach zamkniętych i w otwartej przestrzeni.
Podłoże po którym przemieszcza się żuraw musi by utwardzone, równe, poziome bez wgłębień
i występów.
Żuraw może obsługiwać jedynie odpowiednio przeszkolony pracownik, posiadający.
7. Przepisy ruchu, obsługi i bezpieczeństwa pracy
7.1. Postanowienia ogólne.
Dla każdego żurawia należy prowadzić książkę obsługi i konserwacji.
Książka obsługi konserwacji prowadzona przez obsługującego i konserwatora służy do ewidencji i
zapisów ocen sprawności działania żurawia i powstających w czasie jego pracy usterek, niesprawności
lub braków w wyposażeniu, jak również sposobów ich likwidacji.
W książce podaje się również terminy przeprowadzonych przeglądów, badañ technicznych oraz
okrela się ich rodzaj i zakres.
7.2 Personel obsługujący
UWAGA!
Pracownicy obsługujący żuraw nawet dorywczo winni przejść przeszkolenie przewidziane przepisami
BHP odnośnie pracy stanowiskowej.
7.3. Zakres prac i obowiązków obsługi.
Obsługujący żuraw jest odpowiedzialny za utrzymanie urządzenia w pełnej sprawności
i przestrzeganie przepisów bezpieczeństwa.
Obsługujący jest zobowiązany przed rozpoczęciem pracy sprawdzić stan żurawia, a zauważone
usterki zgłosić natychmiast kierownictwu technicznemu i zastosować się do jego zaleceń.
Wszystkie niedomagania żurawia zauważone w czasie pracy, winien wpisać do książki obsługi i
konserwacji. Kończąc pracę obsługujący powinien poinformowa swego zmiennika o stanie
technicznym żurawia oraz stwierdzonych usterkach w jego pracy, jeżeli takie wystąpiły.
7.4 Konserwacja
Pracownik konserwujący żuraw powinien posiadać uprawnienia kategorii IV M/Ż.
W czasie przeglądu należy sprawdzić prawidłowość działania pompy hydraulicznej, hak i jego
mocowanie oraz zabezpieczenia, takie jak pierścienie, zawleczki sprężyste i nakrętki.
Przeglądy należy dokonywać nie rzadziej niż raz na 3 miesiące. Przeprowadzone przez konserwatora
czynności powinny by odnotowane w dzienniku konserwacji i potwierdzone jego podpisem.
Konserwator jest zobowiązany do bezzwłocznego powiadomienia bezposredniego przełożonego
lub użytkownika o zauważonych usterkach wymagających zatrzymania urządzenia.
Napraw i remontów dokonuje producent.
7.5. Bezpieczeństwo pracy
ZABRANIA SIĘ
1. Stosowania żurawia na miękkim, pochyłym i nierównym podłożu.
2. Robienie przerw podczas opuszczania ciężaru.
3. Podnoszenie cięaru przy ukośnym położeniu haka (przed podniesieniem ciężaru hak musi
być ustawiony nad środkiem ciężkości podnoszonego ciężaru.
4. Wyrywania przedmiotów zagłębionych w ziemi, przymarzniętych, przyklejonych lub w inny
sposób mogących blokować podnoszony ciężar.
5. Przeciążania żurawia.
6. Przebywania ludzi pod podnoszonym ciężarem i w strefie pracy żurawia.
7. Pozostawiania zawieszonego ciężaru po zakończeniu pracy żurawia.
UWAGA!
1. Długość wysignika (4) ustawić w zależności do podnoszonego ciężaru wg diagramu
umieszczonego na wysięgniku.
2. Wysięgnik wysuwny (4) musi być zawsze zapięty sworzniem (31), który musi być zawsze
zabezpieczony zawleczką sprężystą (32) i pierścieniem osadczym (33).
3. Żuraw wraz z ciężarem może być przemieszczany jedynie po opuszczeniu ciężaru do wysokości
około 5 cm do podłoża i z zablokowanym obrotem kolumny.
4. W razie uszkodzenia żurawia lub jego części, opuścić ciężar, nie podnosić powtórnie, zabezpieczy
æ żuraw przed użyciem go przez inne osoby.
5. Gdy uszkodzenie nie pozwala na opuszczenie ciężaru, należy odgrodzić i oznaczyć zagrożony teren.
6. Śruby zaworu przeciążeniowego (19) zabezpieczone są przed odkręcaniem czerwoną farbą
w postaci kreski. Ślady uszkodzenia farby będą świadczyć o ingerencji użytkownika w
układ hydrauliczny żurawia. W takim wypadku odpowiedzialność za działanie żurawia
ponosi użytkownik a nie producent.
8. Instrukcja obsługi żurawia
8.1. Przed przystąpieniem do pracy obsługujący zobowiązany jest do sprawdzenia działania żurawia.
W tym celu należy zamknąć zawór opuszczania dosiskająć iglicę opuszczania 20 do oporu (20).
Wykonując ruchy wahadłowe dźwignią pompującą (17) podnieść wysięgnik (3) do maksymalnej
wysokości. Opuścić wysięgnik (3) do minimalnego położenia.
Podnoszenie i opuszczanie powinno odbywać się bez zacięć.
W wypadku stwierdzenia jakichkolwiek wad lub niesprawności należy dokonać wpisu w książce
obsługi i konserwacji oraz zawiadomić przełożonego i zastosować się do jego poleceń.
8.2. Czynności w czasie pracy
UWAGA!
Żuraw wolno używać tylko do podnoszenia mas nie przekraczających jego maksymalnego
udźwigu w danym położeniu wysięgnika.
1. Zamknąć zawór opuszczania
2. Wykonują ruchy wahadłowe dźwignią pompującą podnieść wysięgnik (3) do położenia
poziomego.
3. Ustawić wysięgnik wysuwny (4) w zależności od potrzeb oraz wielkości podnoszonego
ciężaru wg dioagramu umieszczonego na wysięgniku.
4. Wysuwany wysięgnik (4) zabezpieczyć sworzniem (31) i zawleczką sprężystą.
5. Zaczepić ciężar na haku (5) i przy pomocy dźwigni pompującej (17) podnieść na żądaną
wysokość.
6. Przed przemieszczeniem żurawia z obciążeniem należy zabezpieczyć kolunę przed obrotem
i opuścić ciężar do wysokości około 5 cm nad podłożem.
7. Przewieźć ciężar w potrzebne miejsce i odstawić go.
9. Usterki i sposoby ich usuwania
1. Wysięgnik nie podnosi na pełną wysokość:
Przyczyny: Za mało oleju w zbiorniku
Sposób usunięcia: Uzupełnić olej
2. Wycieki oleju:
Przyczyny: Zużyte uszczelki
Sposób usunięcia: Zgłosić do serwisu
Producent udziela gwarancji dla dostarczonego żurawia na 12 miesięcy od daty zakupu.
Do okresu gwarancyjnego nie wlicza się okresu poprzedzającego gwarancję (czas transportu,
składowania w hurtowni lub sklepie) pod warunkiem, ¿e okres ten nie przekracza 12 miesięcy.
Karta gwarancyjna bez podpisów i pieczęci jest nieważna. Odbiorca może dochodzić roszczeń
tytułem udzielonej mu gwarancji tylko wówczas, gdy przy eksploatacji zastosował się do
instrukcji obsługi, a uszkodzenia wynikły na skutek wad jakościowych. Gwarancja nie
obejmuje usterek, braków lub uszkodzeń, które powstały na skutek wadliwego transportu,
nieprawidłowej obsługi, eksploatacji, konserwacji lub przechowywania.










