Wciągarka 200kg/30m elektryczna linowa budowlana - do wyboru ramię, maszt, podpory, uchwyt rusztowania 08179931
Wciągarka 200kg/30m elektryczna linowa budowlana - do wyboru ramię, maszt, podpory, uchwyt rusztowania.
DANE TECHNICZNE:
Udźwig - 200 kg
Prędkość wciągania - 20 m/min
Długość linki - 30 m
Średnica linki - 5 mm
Wytrzymałość linki na przerwanie - 1980 kg
Moc silnika - 0,85 KW
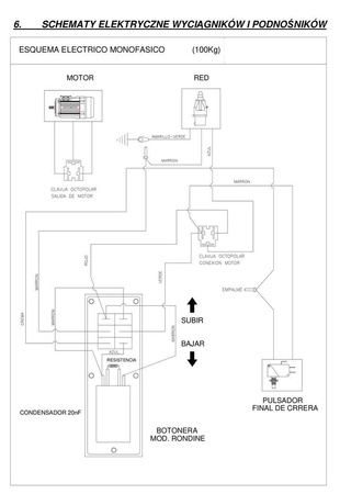
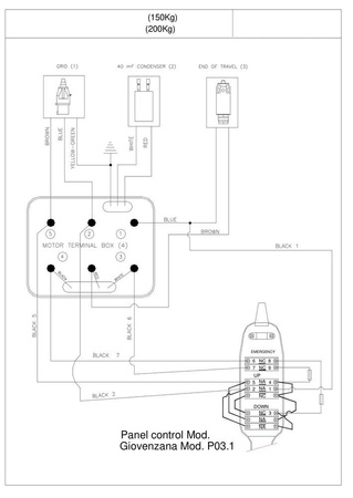
Napięcie zasilania - 230 V
Promień obrotu - 845 mm
Kąt obrotu - 200°
Masa - 26 kg
Średnia szerokość - 190 mm
Długość - 530 mm
Wysokość - 230 mm
Objętość - 0,023 m3
Dodatkowe informacje:
Ze względu na swoją wagę i rozmiary jest niezbędnym narzędziem dla wszystkich profesjonalistów którzy potrzebują wciągać ładunki
Duża różnorodność mocowań urządzenia
Mocowanie pionowe i poziome
Zatrzymanie na końcu obszaru roboczego linki
Lekki, uniwersalny, prosty w obsłudze
Zgodny z Europejskimi Zasadami Bezpieczeństwa
Możliwość mocowania:
Warianty mocowania wciągarki:
1. Do rusztowań (napęd + ramię robocze + uchwyty do rusztowania)
2. W otworze okiennym (napęd + ramię robocze + maszt niski)
3. W otworze drzwiowym (napęd + ramię robocze + maszt wysoki)
4. Między stropem a podłogą (napęd + ramię robocze + masz wysoki)
5. Na stropie (napęd + ramię robocze + maszt wysoki + podpory 2 sztuki)
Standardowe wyposażenie:
- Wyciągarka
- Lina 30 m
- Sterowanie ręczne 1,5 m
OPCJA (można dokupić):
Wysoki maszt
Podpora 1 szt.
Niski maszt
Uchwyt 1 szt
Ramie robocze
Firma specjalizuje się w produkcji masztowych podestów samowyładowczych, platform transportowych, wciągników materiałowych i osobowych, a także innych urządzeń pomocniczych na rynek budowlany, takich jak sygnowane przez nas wciągniki linowe serii „Małe”.
Wszystkie produkty wytwarzane są zgodnie z przepisami UE, zgodnie z systemem jakości ISO 9001, dzięki czemu gwarantowane są prawidłowe etapy rozwoju produktu.

Jako nowoczesna i postępowa firma, rozumie znaczenie dobrego doradztwa poprzez swoich dealerów i usługi po sprzedażowe, które skupiają się na odpowiednim szkoleniu partnerów.
Nasza Firma nadal przeznacza znaczną część swoich zysków na badania, rozwój i innowacje nowych procesów i produktów w celu projektowania wydajnych maszyn zorientowanych na różne dzisiejsze systemy konstrukcyjne.
Posiadamy entuzjastyczny zespół zarządzający z dużym doświadczeniem i bogatym doświadczeniem biznesowym. Cały zespół techniczno-produkcyjny jest w pełni przeszkolony w swoich umiejętnościach. Dzięki temu możemy zaoferować elastyczne rozwiązania dla wyzwań stale ewoluującego, wymagającego rynku.

W latach 90 Wciągniki dokonały znaczącego skoku jakości, wprowadzając nową serię wciągników zębatkowych, aby sprostać rosnącemu zapotrzebowaniu na ten produkt na najbardziej zaawansowanych rynkach technologii budowlanych i stawić czoła nowemu wyzwaniu: ekspansji.
Dziś posiadamy ponad 50-letnie doświadczenie w projektowaniu i produkcji sprzętu budowlanego i ugruntowała swoją pozycję jako wiodąca firma w branży urządzeń dźwigowych z silną pozycją na rynku międzynarodowym.

Opinie o Wciągarka 200kg/30m elektryczna linowa budowlana - do wyboru ramię, maszt, podpory, uchwyt rusztowania 08179931
- 5/5Opinia niepotwierdzona zakupemMuchas gracias. ?Como puedo iniciar sesion?2023-12-05






















































