Kuchnia węglowa kocioł piec CO z płaszczem wodnym 19-25kW (kolor: czarny, średnica wylotu spalin: 148 mm) - spełnia anty-smogowy EkoProjekt 99682507
- Kuchnia węglowa CO z płaszczem wodnym, moc 25–27 kW, kolor czarny. Ogrzewa i gotuje. Zgodna z normą EkoProjekt. Wylot spalin Ø148 mm. Do domu i gospodarstwa.
Kuchnia węglowa z płaszczem wodnym 25–27 kW – piec CO z funkcją gotowania, kolor czarny, zgodna z EkoProjekt

Co to za produkt kuchnia?
To nowoczesna kuchnia węglowa z płaszczem wodnym, pełniąca funkcję pieca centralnego ogrzewania (CO) o mocy 25–27 kW. Przeznaczona jest do spalania paliw stałych – głównie węgla i drewna – i jednocześnie umożliwia gotowanie oraz pieczenie. Dzięki wbudowanemu wymiennikowi wodnemu, kuchnia może zasilać grzejniki i systemy ciepłej wody użytkowej. Estetyczna obudowa w kolorze czarnymi spełnienie normy EkoProjekt sprawiają, że jest to ekologiczne, funkcjonalne i atrakcyjne wizualnie źródło ciepła.

Do czego służy węglowa kuchnia?
Kuchnia ta pełni podwójną funkcję:
-
ogrzewa dom poprzez podłączenie do systemu CO,
-
umożliwia gotowanie i pieczenie – idealne jako kuchnia robocza lub główna w domach tradycyjnych.
Dodatkowo może służyć jako zapasowe źródło ciepła, niezależne od energii elektrycznej czy gazu.

Dla kogo piec kuchnia?
Rekomendowana dla:
-
gospodarstw domowych na terenach wiejskich i podmiejskich,
-
osób szukających alternatywy dla pieców gazowych i elektrycznych,
-
domów bez dostępu do sieci gazowej,
-
zwolenników kuchni zintegrowanych z ogrzewaniem,
-
inwestorów stawiających na urządzenia zgodne z normą EkoProjekt.

W jakich warunkach się sprawdzi kuchnia z płaszczem wodnym?
✅ Idealna do:
-
ogrzewania domów o powierzchni 120–180 m² (w zależności od izolacji),
-
domów energooszczędnych z niskotemperaturowym systemem grzewczym,
-
kuchni, salonów z aneksem i otwartych przestrzeni,
-
domków letniskowych i gospodarstw agroturystycznych.

Główne zalety
✔️ Moc grzewcza 25–27 kW – efektywne ogrzewanie nawet dużych budynków
✔️ Zintegrowany płaszcz wodny – współpraca z grzejnikami i CWU
✔️ Funkcja gotowania i pieczenia – praktyczność każdego dnia
✔️ czarny kolor – ciepła, estetyczna forma pasująca do wnętrz rustykalnych i klasycznych
✔️ EkoProjekt 2022 – spełnia najnowsze normy antysmogowe
✔️ Duża komora spalania – rzadsze dokładanie opału
✔️ Wyjście spalin fi 148 mm – standardowe do większości kominów ceramicznych i stalowych

Parametry techniczne
- Dostępne wersje: biały / beżowy / czarny
- Produkcja: EU
- Moc nominalna: 25 kW
- Moc maksymalna: 27 kW
- Maksymalna moc grzewcza: do 270 m²
- Wymiary pieca: wysokość - 88 cm / szerokość - 60 cm / głębokość - 90 cm
- Wymiary paleniska: wysokość - 55 cm / szerokość - 41 cm / głębokość - 41 cm
- Wymiary płyty grzewczej: szerokość - 48 cm / głębokość - 46 cm
- Niezbędny przeciąg: 12 Pa
- Średnica zdejmowanego krążka na blacie: 160 mm
- Waga: 190 kg
- Materiał wykonania: stal / żeliwo
- Powłoka / malowanie: farba żaroodporna
- Średnica wylotu spalin: 150 mm / pasują z rury o średnicy 150 mm
- Ruszt: TAK / ruszt wodny
- Palenisko: palenisko zintegrowane z płaszczem wodnym
- Opał: drewno, brykiety, niskokaloryczny węgiel
- Długość polan: do 30 cm
- Zgodny z normą: EN 303-5
- Regulacja szybkości spalania: TAK / system RATHGEBER
- Deflektor spalin: TAK
- System czysta szyba: TAK
- Regulowany szyber (przepustnica): TAK
- Wyjmowany popielnik: TAK
- Płyta grzewcza + fajerka (możliwość gotowania potraw): TAK
- Miejsce na drewno pod paleniskiem: NIE
- Wylot spalin: tylny
- Maksymalne ciśnienie robocze: 3 bar
- Objętość wody w kotle: 60 L
- System wyjściowy: 1"
- System zwrotny: 1"
- Maksymalna temperatura robocza: 90°C
- Zgodność z EKOPROJEKT 2022: TAK / do pobrania
- Zgodność z 5. klasą kotłów: TAK / do pobrania
Wymiary szczegółowe
Poniżej prezentujemy wszystkie wymiary oferowanego pieca/kominka:
wymiary zewnętrzne: szerokość całkowita: 660 mm x głębokość całkowita: 900 mm x wysokość całkowita: 880 mm
wymiary paleniska: szerokość: 350 mm x głębokość: 410 mm x wysokość: 550 mm
wymiary drzwiczki górne: szerokość: 390 mm x wysokość: 270 mm
wymiary drzwiczki dolne: szerokość: 290 mm x wysokość: 130 mm
wymiary otworu załadunkowego góra: szerokość: 260 mm x wysokość: 200 mm
średnica wylotu spalin: Ø 150 mm
wymiary szyby: 230 x 200 mm

Przykładowe zastosowania
◾ Główne źródło ciepła w domu jednorodzinnym
◾ Kuchnia robocza z ogrzewaniem dla gospodarstw rolnych
◾ Gotowanie i pieczenie przy jednoczesnym ogrzewaniu CWU
◾ Alternatywa dla kotła + osobnej kuchni
◾ Niezależność energetyczna w przypadku awarii prądu/gazu

UWAGA!:
Kolor pieca może się różnić od tych na zdjęciu.
Ten piec jest sprzedawany w kolorze: czarnym.


Piec kominek koza kuchenka kuchnia węglowa westfalka piecokuchnia kocioł.
- Kocioł 5. klasy!
- Zintegrowany z paleniskiem ruszt wodny!
- 2 w 1 - kocioł i kuchnia węglowa!
- Zgodność z ECODESIGN 2022!
Kocioł
Kuchnia to uniwersalne urządzenie grzewcze 3 w 1, które może służyć jako kuchnia węglowa z dużą płytą grzewczą, kocioł centralnego ogrzewania 5. klasy oraz kominek z szybą żaroodporną z imponującą wizją ognia. Jeśli szukasz najwyższej jakości wielofunkcyjnego urządzenia grzewczego do domu czy mieszkania - to rozwiązanie będzie idealnym pomysłem. to również cała linia trzech modeli kuchni różniących się między sobą wymiarami i mocą. Dostępne są modele: 10 kW, 15 kW oraz 25 kW.
Dzięki bardzo wysokiej jakości wykonania kuchnie spełniają wymogi 5. klasy stawiane kotłom grzewczym. Największą zaletą naszego produktu jest jego uniwersalność. jest kotłem centralnego ogrzewania - po podłączeniu do systemu c.o. jest w stanie ogrzewać powierzchnię całego domu czy mieszkania. Kuchnia jest wyposażona w stalową płytę grzewczą, dzięki czemu umożliwia w sposób ciągły gotowanie czy podgrzewanie potraw. Wreszcie, dzięki specjalnej konstrukcji i przeszklonej wizji ognia kuchnia wyglądem nawiązuje do tradycyjnych pieców i kominków typu koza. Kuchnia to przede wszystkim bardzo solidne wykonanie i wysoka jakość oparta o najlepszej jakości materiały. Nie ma tu miejsca na kompromisy w postaci cienkiej blachy, gorszych materiałów czy cieniutkich odlewów żeliwnych. Jest to produkt wykonany na podstawie zachowania najwyższych standardów jakości. To dzięki temu kuchnia jako jedyna na rynku posiada 5. klasę kotłów c.o. osiąganych jedynie przez urządzenia grzewcze najwyższej jakości.
Kuchnia jest wyposażona w stalowy ruszt wodny, co jest doskonałym rozwiązaniem, gdyż energia wytwarzana w komorze spalania jest bezpośrednio angażowana w podgrzewanie wody krążącej w ruszcie. To rozwiązanie jest najbardziej doceniane na rynku. Dzięki wysokiej estetyce wykonania, żeliwnym drzwiczkom, stalowej płycie grzewczej i żaroodpornemu malowaniu kuchnie mogą stanowić praktyczny i ozdobny element wyposażenia domu czy mieszkania. Kuchnia dostępna jest w trzech wersjach - białej, czarnej i beżowej.
Zakup kotła 5. klasy to realna oszczędność - inwestuj mądrze
Kotły 5. klasy to urządzenia nowszej generacji, które uznawane są za ekologiczne ze względu na znacznie mniejszą emisję spalin niż w przypadku klasycznych pieców węglowych. Od 2017 roku obowiązują przepisy zakazujące sprzedaży kotłów niższych klas, ponieważ przyczyniają się one w znacznym stopniu do zanieczyszczenia powietrza. Jednocześnie do końca 2024 roku istnieje obowiązek wymiany pieców niższych klas na kotły klasy piątej, które spełniają normę PN-EN 303-5:2012. Parametry techniczne kotłów piątej klasy znacznie przewyższają urządzenia starszej generacji. Urządzenia te emitują nawet do 50 razy mniej tlenku węgla i 5 razy mniej pyłów niż tradycyjne piece węglowe. Kotły piątej klasy mają wyższą sprawność i wydajność z uwagi na zastosowanie odpowiednich materiałów i technologii wykonania. Takie rozwiązanie powoduje, że straty energii są ograniczane do minimum, a piec jest wysokowydajnym urządzeniem. Mimo że piece piątej klasy są droższe niż klasyczne, to w perspektywie czasu generują one oszczędności, ponieważ zużywają o wiele mniej materiału opałowego, a spalanie zachodzi w kontrolowanych warunkach. Kotły piątej klasy to komfortowe rozwiązanie, które pozwala na zaoszczędzenie sporej ilości czasu i pieniędzy.
Jak dobrać właściwą moc kuchni? Pomagamy
Moc grzewcza pieca to jeden z podstawowych i najważniejszych parametrów urządzenia, bowiem określa jego zdolność - wielkość grzewczą. Warto podkreślić, że powierzchnia grzewcza kuchni jest uzależniona od wielu czynników, takich jak: rodzaju używanego paliwa, stopnia izolacji budynku, rodzaju okien, wentylacji, temperatury zewnętrznej. Optymalnie przyjmuje się dobór mocy kominka według wzoru: 1 kW x 10 m², czyli dla pieca o mocy 10 kW przyjmujemy przykładowe wyliczenie: 10 kW x 10 m² = 100 m² (około 100 m² powierzchni grzewczej).
Dlaczego kuchnia z płytą grzewczą? Czy warto?
Tradycyjny kominek to urządzenie grzewcze, które zgodnie ze swoim przeznaczeniem pełni rolę ogrzewacza dla pomieszczenia bądź kilku pomieszczeń. Wykorzystując paliwo w procesie spalania, kominek wytwarza energię cieplną, którą następnie przekazuje do pomieszczeń. Aby jeszcze bardziej i w pełni wykorzystać wytwarzane ciepło w komorze spalania, został skonstruowany piec z płytą grzewczą. Taki rodzaj kominka często nazywany jest mianem piecokuchni lub kuchni węglowej. Dzięki płycie grzewczej umieszczonej na wierzchu kominka można gotować, podgrzewać bądź utrzymywać ciepło przyrządzanych potraw. Jest to doskonałe rozwiązanie, ponieważ taki kominek może w zupełności zastąpić kuchenkę gazową, elektryczną czy indukcyjną albo służyć jako awaryjne źródło ciepła i gotowania. Piecokuchnia nie wymaga ani prądu, ani gazu - jedynie podłączenia do systemu odprowadzania spalin.
Co to jest płyta grzewcza?
Płyta grzewcza to element budowy kominków oraz kuchni. Nasze produkty posiadają stalowe płyty grzewcze, które odznaczają się wieloma zaletami. W naszych produktach stalowe płyty grzewcze wycinane są laserowo z jednego kawałka blachy kotłowej o grubości minimum 6 mm. Dzięki dokładnemu cięciu laserowemu mamy pewność, że wszystkie części są doskonale spasowane i wykonane z największą dokładnością. W płycie grzewczej wycinane są specjalne otwory, przez które można dokładać drewno od góry do paleniska - tak zwana fajerka. Pozwala ona na szybkie dołożenie opału, a także umożliwia dokładne wyczyszczenie komory spalania. Płyta grzewcza, dzięki zastosowaniu odpowiedniej grubości stali kotłowej, nagrzewa się do wysokiej temperatury, co umożliwia gotowanie. Użycie odpowiednio grubej stali zapobiega jej deformacji pod wpływem działania ognia czy wysokiej temperatury.
Płyta grzewcza stalowa czy żeliwna? Którą wybrać? My stawiamy na stal
Generalnie nie ma jednoznacznej odpowiedzi na pytanie, która z płyt jest lepsza. Zarówno płyta stalowa, jak i żeliwna mają swoje wady i zalety. W naszych produktach stosujemy stalowe płyty grzewcze wycinane laserowo z grubej blachy kotłowej - wybraliśmy zatem rozwiązanie ze stali. Dlaczego?
Precyzja wykonania
Dzięki bardzo precyzyjnemu wykonaniu z grubej blachy kotłowej ciętej laserowo stalowa płyta grzewcza prezentuje się naprawdę bardzo ładnie i estetycznie. Płyty grzewcze wykonane z żeliwa nie dają możliwości laserowego wycinania z uwagi na to, że wszelkie elementy z żeliwa muszą być odlewane w formach.
Zabezpieczona przed wyginaniem
Płyta grzewcza posiada specjalne nacięcia - dylatacje, które zabezpieczają płytę przed wygięciami mogącymi powstać w wyniku naprzemiennego nagrzewania się i schładzania płyty grzewczej. To proste i zarazem bardzo dobre i skuteczne rozwiązanie.
Estetyka
Stalowa płyta grzewcza bardzo ładnie współgra z resztą stalowej konstrukcji kominka. Płyty żeliwne zdecydowanie różnią się wyglądem od reszty konstrukcji kominka, co nie zawsze odpowiada preferencjom użytkowników.
Trwałość
Płyta grzewcza to taka część pieca, gdzie występują duże różnice i skoki temperatur, dlatego też stal jest doskonałym materiałem. Żeliwo z uwagi na swoją kruchą strukturę potrafi czasem pęknąć, co generuje konieczność wymiany danej części. Odpowiednio gruba stal nigdy nie pęka ani nie deformuje się.
Popularność
Płyty stalowe w ostatnich latach stały się prawdziwym hitem wśród tego typu produktów. Łatwość laserowej obróbki, szybkość w produkcji, pożądane właściwości stali, nowoczesny wygląd - to główne cechy, które decydują o tym, że rozwiązania takie są stosowane w zdecydowanej większości produktów przez współczesnych producentów kominków i kuchni.
Zgodność z Ekoprojektem
Od początku roku 2022 w życie weszły unijne przepisy regulujące emisję spalin generowaną przez piece, kominki i inne urządzenia energetyczne. Cała branża grzewcza przygotowywała się do tych zmian, a obecnie dostępne są jedynie systemy grzewcze, które spełniają rygorystyczne wymagania środowiskowe. Potocznie nazywana Ekoprojektem, Dyrektywa Parlamentu Europejskiego i Rady 2009/125/WE określa precyzyjne normy dotyczące granicznych wartości emisji pyłów i innych zanieczyszczeń do atmosfery. Wprowadzenie Ekoprojektu obowiązującego od 1 stycznia 2022 roku jest równoznaczne z zakazem montażu na terenie całej Unii Europejskiej pieców i kominków, które nie spełniają jego surowych wymagań. Do tych wymagań należą:
- sezonowa efektywność energetyczna musi wynosić minimum 65% (piece i kuchenki);
- emisje cząstek stałych (PM) z miejscowych ogrzewaczy pomieszczeń na paliwo stałe z zamkniętą komorą spalania wykorzystujących paliwo stałe inne nie mogą przekroczyć 40 mg/m³ przy 13% O2 lub 5 g/kg (suchej masy) lub 2,4 g/kg (suchej masy) w przypadku biomasy lub 5 g/kg (suchej masy) w przypadku paliwa kopalnego stałego; w zależności od wybranej metody pomiaru;
- emisje organicznych związków gazowych (OGC) z miejscowych ogrzewaczy pomieszczeń na paliwo stałe z otwartą komorą spalania, z miejscowych ogrzewaczy pomieszczeń na paliwo stałe z zamkniętą komorą spalania wykorzystujących paliwo stałe inne niż drewno prasowane w formie peletów oraz z kuchenek nie mogą przekroczyć 120 mgC/m³ przy 13% O2;
- emisje tlenku węgla (CO) z miejscowych ogrzewaczy pomieszczeń na paliwo stałe z zamkniętą komorą spalania wykorzystujących paliwo stałe inne niż drewno prasowane w formie peletów oraz z kuchenek nie mogą przekroczyć 1500 mg/m³ przy 13% O2;
- emisje tlenków azotu (NOx) z miejscowych ogrzewaczy pomieszczeń na paliwo stałe z otwartą komorą spalania, z miejscowych ogrzewaczy pomieszczeń na paliwo stałe z zamkniętą komorą spalania i z kuchenek, wykorzystujących paliwo kopalne stałe, nie mogą przekroczyć 300 mg/m³ wyrażanych jako NO2 przy 13% O2.
Bezpieczeństwo i certyfikaty
Oferowany przez nas piec koza - kuchnia węglowa jako kocioł c.o. oraz ogrzewacz pomieszczeń na paliwo stałe z zamkniętą komorą spalania spełnia następujące wymagania i normy:
Boiler class acc. EN 303-5
2006/42/EC
2014/68/EU
EN 303-5:2012
EN ISO 12100:2010
EN 60204-1:2006+A1:2009
EN 60335-1:2012
EN 60335-2-102:2006+A1:2010
EN55014-1:2002
EN61000-3:2005
EN 304:1992+A1:1998+A2:2003
EN 10028-2:2009
EN 10204:2004
EN 287-1:2011
EN 15614-1:2004+A2:2012
EN 15614-8:2002
EN 10025-2:2004
EN ISO 14341:2011
EN ISO 14175:2008
EN 10111:2008
Dokument potwierdzający spełnianie norm jest dostępny do pobrania (Deklaracja Zgodności DOC).
Kuchnie 3 w 1 - nowość na naszym rynku!
Kuchnie węglowe na paliwo stałe, czyli tak zwane kuchnie opalane drewnem do tej pory były głównie dostępne jako urządzenia grzewcze bez płaszcza wodnego. Dzięki „wbudowaniu” w nie płaszcza wodnego mogą stanowić źródło centralnego ogrzewania jako całoroczne źródło ciepła nie tylko dla pomieszczeń, ale również wody użytkowej (c.o. i CWU). Kuchnie mają bardzo ważną funkcję, której nie mają tradycyjne kotły, a mianowicie są wyposażone w płytę grzewczą, która podczas palenia jest stale rozgrzana, umożliwiając praktycznie darmowe gotowanie. Gotowanie czy podgrzewanie potraw na gazie czy z użyciem kuchni elektrycznych lub indukcyjnych pochłania bardzo wiele energii i stanowi duży koszt w ujęciu miesięcznym. Dzięki temu, że kuchnia posiada płytę grzewczą pozwala na 100% wykorzystanie energii cieplnej powstałej ze spalania paliwa w komorze spalania. To właśnie dlatego kuchnie zyskują sobie coraz większą popularność. Mogą one stanowić główne lub awaryjne źródło ciepła dla domów i mieszkań.
Najlepszy regulator ciepła w komplecie!
Kuchnie są wyposażone w niemieckie regulatory ciepła renomowanej marki. Są one uznawane za najlepsze regulatory ciepła przeznaczone do użytku w piecach, kuchniach i kominkach opalanych paliwem stałym. Działające na zasadzie termostatu, regulatory te oferują liczne możliwości, stanowiąc doskonałe ułatwienie w codziennym użytkowaniu. Ich funkcje obejmują ograniczanie temperatury spalin, kontrolę nad czasem spalania w celu utrzymania stałej mocy cieplnej, zarządzanie temperaturą powietrza w pomieszczeniu oraz dostosowanie do grzejników z zasobnikami wody w celu regulacji temperatury ciepłej wody. Regulatory wyposażone są w mechaniczne pokrętło, które umożliwia precyzyjne ustawienie żądanej wartości. Dzięki temu użytkownik może dostosować moc urządzenia zgodnie z własnymi potrzebami. To rozwiązanie jest znacznie bardziej zaawansowane niż manualne regulacje otworów umieszczanych w drzwiczkach lub popielnikach.
Komplet akcesoriów do obsługi i czyszczenia kuchni GRATIS!
Kuchnie są wyposażone w komplet akcesoriów do obsługi kuchni w formie pogrzebacza oraz specjalnej rączki do zdejmowania fajerki. Dzięki temu nie musisz dokupować nic, aby w pełni móc obsługiwać kuchnię.
Gruba stalowa płyta grzewcza z piękną ramą ze stali nierdzewnej
Kuchnie są wyposażone w stalową płytę grzewczą wyposażoną w fajerkę. Płyta grzewcza w kuchniach jest wykonana z grubej stali odpornej na deformacje mogące powstać pod wpływem bezpośredniego działania ognia czy wysokiej temperatury. Płyta wycinana jest laserowo dla zapewnienia najwyższej jakości i dokładności. W płycie wycięte są specjalne otwory zaślepione zdejmowanymi pokrywami - tak zwane fajerki, które pozwalają na obsługę pieca od góry bez konieczności otwierania drzwiczek komory spalania. Płyta grzewcza w kuchniach dodatkowo jest zabezpieczona grubą ozdobną ramą wykonaną ze stali nierdzewnej, która podkreśla jej walory estetyczne i ułatwia utrzymanie płyty grzewczej w czystości.
Okalający płaszcz wodny z wodnym rusztem - najlepsze rozwiązanie na rynku!
Komora spalania w kuchniach stanowi doskonały przykład innowacyjnego rozwiązania odpowiadającego na pytanie, jak w pełni wykorzystać opał i energię cieplną generowaną przez jego spalanie. Konstrukcja komory spalania wykonana jest z grubej blachy kotłowej, a producent świadomie zrezygnował z tradycyjnej cegły szamotowej w celu zwiększenia efektywności i szybkości nagrzewania. Ściany komory spalania pełnią również funkcję ścian płaszcza wodnego, gdzie woda jest podgrzewana. Bezpośredni kontakt ognia z tymi ścianami przyczynia się do efektywnego i szybkiego podgrzewania wody. Dla jeszcze większej efektywności zastosowano specjalny ruszt wodny przyjmujący formę rur wypełnionych wodą. Żar wytworzony podczas spalania paliwa zazwyczaj zalega na ruszcie, co skutkuje bezpośrednim podgrzewaniem wody wewnątrz rusztu. Wybór stali kotłowej jako materiału konstrukcyjnego paleniska jest uznawany przez wielu ekspertów za najlepsze rozwiązanie z wielu powodów. Stal przewodzi ciepło szybko i efektywnie oraz jest jednocześnie najwytrzymalszym spośród znanych materiałów stosowanych w paleniskach, w przeciwieństwie do szamotu czy wermikulitu.
Wbudowany deflektor dla zatrzymania ciepła
Kuchnie wyposażone są w deflektor stanowiący „półkę dymową”. Co daje deflektor spalin? Przede wszystkim powoduje to, że ogrzane powietrze z komory spalania nie trafia bezpośrednio do komina. Odbywa się tam proces dopalania cząstek opału, które nie zostały wcześniej spalone. Uzyskiwane w tym procesie dodatkowe ciepło zwiększa efektywność i wydajność pieca. Ochłodzone i mniej zanieczyszczone spaliny trafiają do komina. Według wyliczeń producentów pieców deflektor zwiększa wydajność o około 30%.
Zawsze czysta wizja ognia - najlepsze szyby!
W kuchniach zastosowano system „czystej szyby”. Dzięki temu rozwiązaniu powietrze jest zasysane bezpośrednio na szybę, powodując znaczne zmniejszenie zanieczyszczenia szyby podczas procesu spalania. Szyba żaroodporna do 800°C zapewnia bezpieczne korzystanie z pieca nawet przy bardzo wysokich temperaturach. Użycie wysokiej jakości szkła żaroodpornego, a także deflektora spalin zmniejsza w znacznym stopniu zabrudzenie szyby sadzą podczas procesu spalania, dzięki czemu szyba dłużej pozostaje czysta.
Żeliwne elementy podnoszące jakość produktu
Zastosowanie w kuchniach grubych i żeliwnych drzwiczek paleniska oraz popielnika w znacznym stopniu podnosi nie tylko jakość produktu, ale przede wszystkim trwałość. Żeliwo to materiał doskonale sprawdzający się w budowie produktów techniki grzewczej. Ma on znacznie wyższą odporność ogniową od stali, dlatego jest tak pożądanym materiałem dla produktów techniki grzewczej. Elementy wykonywane z żeliwa są znacznie droższe niż ze stali, ale za to o wiele bardziej mocniejsze i trwalsze.
Wygodne i szybkie czyszczenie kuchni
Kuchnia została skonstruowana tak, aby szybko i łatwo można było wyczyścić komorę spalania. Zastosowanie wodnego rusztu zawierającego niewielkie prześwity sprawia, że wypalany materiał w postaci popiołu spada poniżej paleniska. Szybkie czyszczenie umożliwia wyjmowany duży popielnik, który można wyjąć bez konieczności otwierania komory spalania (posiada on osobne żeliwne drzwiczki do obsługi). Jest to wygodne i szybkie rozwiązanie, które doskonale sprawdza się w praktyce.
Użytkowanie nigdy nie było tak proste - sprawdzone rozwiązania
Dostosowując kuchnię do codziennej eksploatacji przemyślano praktycznie każdy element budowy kuchni. Wszystko zostało dostosowane do jak najprostszej i wygodnej eksploatacji. Duże drzwiczki załadunkowe zapewniają bardzo łatwy załadunek nawet bardzo dużych polan drewna. Antyoparzeniowa sprężynkowana rączka z systemem docisku to sprawdzone i autorskie rozwiązanie, które sprawdza się doskonale na co dzień.
Potężna komora spalania - podkładasz raz a dobrze
Duża komora spalania pozwala na załadunek sporej ilości paliwa stałego na wiele godzin. W ten sposób oszczędzasz czas, bo nie musisz co chwilę dokładać do paleniska. Takie rozwiązanie to wygoda i oszczędność czasu. Duża komora spalania to także jeden ważny czynnik - nie musisz ciąć swoich polan na bardzo małe kawałki, co również przyczynia się do oszczędności czasu.
Pełny komplet dokumentacji
Kuchnia dostarczana jest wraz z instrukcją obsługi i użytkowania dołączonej w formie książeczki. Zawiera ona wszystkie niezbędne informacje zarówno dla instalatorów, jak i użytkowników kuchni. Ponadto instrukcja jest także dostępna w formie elektronicznej wraz z Deklaracją Zgodności producenta potwierdzającą spełniane normy i klasę urządzenia grzewczego oraz kartą energetyczną produktu.
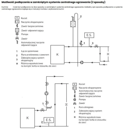
Możliwość podłączenia w zamkniętym systemie centralnego ogrzewania (2 sposoby)
Kuchnia może być podłączona na dwa sposoby w zamkniętym systemie centralnego ogrzewania. Dokładny opis sposobu podłączenia w systemie centralnego ogrzewania znajduje się w instrukcji montażu i użytkowania kuchni.
Możliwość podłączenia w otwartym systemie centralnego ogrzewania (1 sposób)
Kuchnia może być podłączona w otwartym systemie centralnego ogrzewania. Dokładny opis sposobu podłączenia w systemie centralnego ogrzewania znajduje się w instrukcji montażu i użytkowania kuchni.
Zalety ogrzewania kominkowego oraz kuchni z płytą grzewczą
Być może szukasz kominka lub kuchni węglowej jako alternatywnego bądź stałego źródła ciepła? Każde rozwiązanie jest dobre - przekonaj się sam, jak wiele korzyści daje takie rozwiązanie.
- Wysoka funkcjonalność i maksymalne wykorzystanie energii cieplnej
To, co spalamy w komorze spalania jest zamieniane na energię cieplną, którą możemy wykorzystać na dwa sposoby: do ogrzewania pomieszczenia oraz do podgrzewania i gotowania (gorąca płyta grzewcza). Dzięki takiemu wykorzystaniu energii nie jesteś uzależniony już od kuchni gazowej czy elektrycznej.
- Brak kosztów związanych z wykonaniem instalacji rozprowadzającej ciepło
W przypadku stosowania kominka wyłącznie jako miejscowego źródła ciepła nie ma potrzeby wykonywania instalacji doprowadzającej ciepło z tego źródła do innych pomieszczeń, jak byłoby w przypadku ogrzewania centralnego. Dzięki temu nie trzeba ponosić kosztów związanych z zakupem elementów instalacji oraz kosztów jej wykonania. Pod tym względem kominkowe ogrzewanie miejscowe jest zdecydowanie tańsze od ogrzewania centralnego.
- Piec jako bezpiecznik, gdy zabraknie prądu lub gazu
Piec na paliwo stałe, jakim jest drewno czy węgiel może być doskonałym uzupełnieniem systemu ogrzewania i zabezpieczeniem na wypadek awarii elektrycznej. Piec to nie tylko „bezpiecznik”, ale również dostawca przyjemnych chwil przy udomowionym ogniu.
- Wysoka sprawność przekazywania ciepła
Ogrzewanie centralne wymaga przesyłania medium obiegowego z kotłowni do ogrzewanych pomieszczeń. Przesył ten obarczony jest stratami, a więc część wytworzonej energii jest tracona w czasie przesyłu. Problem ten nie istnieje w przypadku kominkowego ogrzewania miejscowego, ponieważ ciepło nie zostaje tu nigdzie przesyłane, tylko ogrzewa pomieszczenie bezpośrednio po wytworzeniu. Przenosi się to oczywiście bardzo korzystnie na oszczędności paliwa, ponieważ w przypadku ogrzewania centralnego należy go zużyć więcej, aby pokryć straty przesyłania ciepła.
- Umiejscowienie kominka lub kuchni węglowej
Kominek umieszcza się w ogrzewanym pomieszczeniu, a więc nie jest konieczne wygospodarowanie w domu dodatkowego pomieszczenia (kotłowni), jak ma to miejsce w przypadku ogrzewania centralnego. Ponadto może on charakteryzować się mniejszymi rozmiarami od kotła c.o. oraz pełnić znakomity element wystroju wnętrz stwarzający wiele ciekawych możliwości aranżacyjnych.
- Piękno aranżacyjne
Kominki i kuchnie ostatnio zyskują na popularności również dzięki dużej możliwości wkomponowania ich w wystrój pomieszczenia. W odpowiedniej aranżacji mogą one stanowić bardzo ciekawy i nawet centralny element pokoju. Poza tym dla wielu użytkowników mogą one powodować zwiększenie komfortu przebywania w pomieszczeniu.
- Niepowtarzalny nastrój
Wizja ognia i trzaskających płomieni za żaroodporną szybą kominka daje niepowtarzalny nastrój, który ciężko jest opisać, gdyż każdemu może kojarzyć się w różny sposób. Taki charakter i nastrój nie są w stanie zapewnić inne elementy wyposażenia domu czy pokoju. To właśnie kominek uznawany jest często za szczególny i najważniejszy element domu czy mieszkania oraz miejsce, przy którym mogą gromadzić się domownicy podczas długich jesienno-zimowych wieczorów.
- Bezusterkowość i bezproblemowość
Przy ogrzewaniu centralnym, w przypadku zaistnienia usterki utrudniającej lub uniemożliwiającej pracę kotła, problem z ogrzewaniem w większości przypadków będzie dotyczył wszystkich ogrzewanych pomieszczeń. Usterka kominka w ogrzewaniu miejscowym będzie dotyczyła natomiast tylko pomieszczenia, w którym on pracuje, a więc skutki takiej usterki będą znacznie łagodniej odczuwalne.
- Mobilność oraz szybki montaż i demontaż
Popularna koza jest tak naprawdę najszybszym do podłączenia źródłem ciepła. Dla wprawnych instalatorów wystarczy kilkadziesiąt minut, aby podłączyć kominek do systemu odprowadzania spalin i móc korzystać z urządzenia grzewczego. Dzięki temu kominki koza są tak popularne i chętnie kupowane przez klientów.
- Różnorodność stylów, kolorów, materiałów i wielkości
Rynek kominków i kuchni typu koza jest bardzo duży. Można znaleźć produkty wykonane ze stali, żeliwa, kafli ceramicznych czy kamienia naturalnego - jest wiele materiałów do wyboru. Spośród kolorów istnieją nieograniczone kombinacje, bowiem obecne możliwości technologiczne pozwalają na uzyskanie praktycznie każdego koloru. Duży lub mały kominek - to bez znaczenia, bo różnorodność kształtów i wielkości jest niemal nieograniczona.
- Najniższe koszty eksploatacji
Tak, dokładnie - przy stale rosnących cenach gazu czy prądu koszty ogrzewania kominkowego pozostają na najniższym poziomie. Biorąc pod uwagę ogrzewanie gazowe, cenę gazu, instalacji, serwisów, przeglądów - ogrzewanie kominkowe jest zdecydowanie tańsze. Koszty ogrzewania prądem przy obecnych cenach energii nie będą konkurencyjne.
Drewno to też OZE (odnawialne źródła energii)
Ogień towarzyszy nam w życiu codziennym i jest nieodłącznym elementem życia człowieka. Daje przyjemne ciepło oraz poczucie bezpieczeństwa, dlatego jednym z najlepszych form ogrzewania domu jest drewno - naturalny opał, który nie zanieczyszcza środowiska. Rytuał palenia w kominku jest jednocześnie dla wielu osób formą rozrywki. Nie wiadomo na jak długo wystarczą paliwa kopalne, jak ropa czy węgiel. Na pewno ich zapasy są mocno ograniczone - w odróżnieniu od drewna, które jest surowcem odnawialnym. Jeśli zatem zależy Ci na ekologicznym rozwiązaniu zgodnym z OZE, kominek na drewno jest świetnym rozwiązaniem. Oczywiście ważne jest to, aby kominek do spalania drewna spełniał surowe wymogi EKOPROJEKTU, które ogólnie dotyczą czystości spalin.
Spalanie drewna a ekologia
Jeśli jako paliwo do swojego kominka użyjesz suchego drewna, czyli o wilgotności poniżej 20%, to takie spalanie jest ekologiczne. Drewno to odnawialne źródło energii. Według naukowców bilans dwutlenku węgla podczas spalania drewna jest zerowy - wydziela się go tyle, ile drzewo pochłonęło podczas wzrostu. Spalanie drewna opałowego w odpowiednio wysokiej temperaturze redukuje szkodliwe substancje zawarte w dymie, a popiół drzewny jest pełnowartościowym nawozem naturalnym. Jeśli drewno jest odpowiednio przygotowane, nie trzeba również obawiać się o smog. Jeśli drewno do palenia w kominku jest wystarczająco suche, wtedy wydaje najwięcej ciepła i jest najzdrowsze dla środowiska, a dym z takiego drewna jest przezroczysty.
Jak palić drewnem?
Drewno w kominku powinno rozpalać się zawsze od góry. Taki sposób znacząco ogranicza wytwarzanie dymu, a więc także smogu. Ponadto pozwala zaoszczędzić więcej energii i obniżyć koszty ogrzewania. Instrukcja rozpalania drewna od góry wygląda następująco:
- Otwórz szyber kominowy oraz przepustnicę nawiewu powietrza w kominku.
- Na dnie paleniska ułóż obok siebie 2-3 grube polana, następnie na krzyż nieco cieńsze oraz kolejno na krzyż 2-3 cieńsze szczapy, pozostawiając między wszystkimi polanami niewielkie przerwy.
- Na górze stosu umieść drobne drzazgi i ekologiczną podpałkę do kominków. Nie używaj gazet, ponieważ podczas spalania farba drukarska uwalnia szereg szkodliwych substancji.
- Podpal rozpałkę i gotowe. Ważne - jeśli rozpalone drewno się wyżarza, nie należy dokładać wielu polan do kominka. Rozżarzone drewno należy odsunąć na tył lub bok paleniska, a nowe kawałki należy położyć obok.
Karta energetyczna
Dla każdego kominka jest dokładana w instrukcji karta energetyczna produktu potwierdzająca jego moc grzewczą oraz klasę energetyczną produktu.
Instrukcja montażu, obsługi i użytkowania
Każdy kominek wyposażony został w instrukcję obsługi i użytkowania, gdzie zawarte są szczegółowe informacje dla instalatorów i użytkowników na temat produktu. Informacje, jakie można znaleźć w instrukcji obsługi i użytkowania są następujące:
- dane techniczne, w tym parametry techniczne zmierzone i obliczone zgodnie z wytycznymi zawartymi w rozporządzeniu;
- środki ostrożności, jakie muszą być zachowane w trakcie montażu lub konserwacji miejscowego ogrzewacza pomieszczeń na paliwo stałe;
- dane na temat demontażu, recyklingu lub unieszkodliwiania po upływie okresu przydatności do użycia;
- dokumentację techniczną do celów oceny zgodności zawierającą ściśle określone w rozporządzeniu elementy;
- kartę gwarancyjną
Instrukcja jest również wysyłana do każdego klienta w formie elektronicznej PDF, a także można ją pobrać ze strony internetowej sprzedawcy. Należy pamiętać aby przed przystąpieniem do montażu czy użytkowania urządzenia zapoznać się ze zrozumieniem z instrukcją montażu obsługi i użytkowania.
Bezpieczne pakowanie
Twój kominek powinien dojechać do Ciebie w idealnej kondycji. Właśnie dlatego wysyłamy go w opakowaniu (folia + karton). Całość jest pakowana na palecie. Wszystko ma na celu ochronić Twój kominek przed uszkodzeniami podczas transportu. Gdyby okazało się, że dotarł do Ciebie uszkodzony produkt - nie przyjmuj go od kuriera i skontaktuj się z nami.
Transport i rozładunek
Naszym klientom zapewniamy w 100% bezpieczny i wygodny transport. Nasz towar dostarczamy za pośrednictwem wyspecjalizowanych firm kurierskich wyposażonych w samochody z windą dla wygodnego rozładunku. Dostawy najdroższych produktów realizujemy własnym transportem, aby uniknąć przeładunków i mieć pewność, że towar dojedzie bezpiecznie do celu. Każdy produkt jest w 100% ubezpieczony na czas transportu.
Zapewniamy niezbędne akcesoria
Każdy kominek wymaga podłączenia go do odpowiedniego systemu odprowadzania spalin. W naszej ofercie znajdziesz oryginalne zestawy przyłączeniowe do kominka w najlepszych cenach na rynku, idealnie dostosowane do Twojego kominka. Zamów zestaw do przyłączenia wraz z kominkiem, a wyślemy go w jednej przesyłce.
Zestaw zawiera:
- Prezentowany piec / kominek
- Instrukcję montażu, obsługi i użytkowania w formie książeczki
- Kartę energetyczną
Gwarancja
Każdy nasz produkt jest objęty gwarancją producenta. Okres gwarancji to 24 miesiące od daty zakupu. Wszystkie warunki gwarancji zapisane są w dołączonej do każdego pieca instrukcji montażu, obsługi i użytkowania.
Kilka słów o firmie
To jeden z wiodących producentów piecy i kominków w Europie. Wszystkie produkty firmy tego producenta posiadają wymagane deklaracje i certyfikaty w tym najważniejszy certyfikat CE. Wszystkie dokumenty wraz z wymaganą instrukcją obsługi zamieszczamy do pobrania. Wszystkie produkty cechuje wysoka jakość, wytrzymałość, nowoczesny design i wysokie bezpieczeństwo.
Kuchnia produkowana w Europie. Nie jest to kuchnia produkowana w chinach.
Podsumowanie
Kuchnia węglowa CO z płaszczem wodnym 25–27 kW to uniwersalne rozwiązanie dla tych, którzy szukają urządzenia do gotowania, pieczenia i ogrzewania jednocześnie. Zgodność z normą EkoProjekt gwarantuje niską emisję i pełną legalność użytkowania. Praktyczna, oszczędna i stylowa – sprawdzi się w każdym domu niezależnym energetycznie.
▶️ Zobacz także Kuchnie z wężownicą do kaloryferów – gotowanie i ogrzewanie w jednym – wybierz model dopasowany do Twojego systemu CO.




















